Внимание! Размещенный на сайте материал имеет информационно - познавательный характер, может быть полезен студентам и учащимся при самостоятельном выполнении работ и не является конечным информационным продуктом, предоставляемым на проверку.
ТММ. Структурный и кинематический анализ рычажного механизма. Расчет зубчатых передач.
Номер задания выбирается по предпоследней цифре шифра. Вариант в задании выбирается по последней цифре шифра.
|
предпоследняя цифра шифра |
0, 1, 2 |
3, 4, 5 |
6, 7 |
8, 9 |
|
№ задания |
1 |
2 |
3 |
4 |
| Задание №1. Схема кривошипно-шатунного механизма | Задание 1. Расчет зубчатой передачи | ||||||||
![]() |
![]() |
||||||||
| Вариант1 | Вариант2 | Вариант3 | Вариант4 | Вариант5 | Вариант6 | Вариант7 | Вариант8 | Вариант9 | Вариант10 |
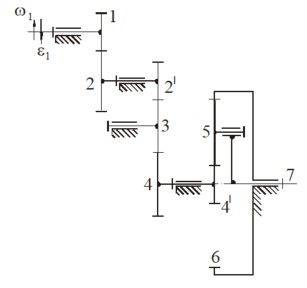
| Задание №2. Схема кривошипно-шатунного механизма | Задание 2. Расчет зубчатой передачи | ||||||||
![]() |
![]() |
||||||||
| Вариант1 | Вариант2 | Вариант3 | Вариант4 | Вариант5 | Вариант6 | Вариант7 | Вариант8 | Вариант9 | Вариант10 |
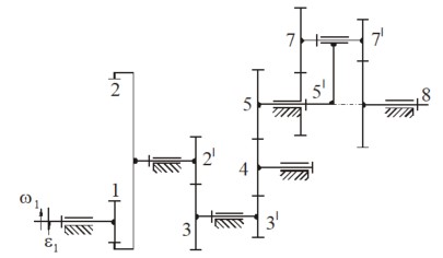
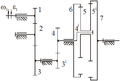
| Задание №3. Схема шарнирного четырехзвенника | Задание 3. Расчет зубчатой передачи | ||||||||
![]() |
![]() |
||||||||
| Вариант1 | Вариант2 | Вариант3 | Вариант4 | Вариант5 | Вариант6 | Вариант7 | Вариант8 | Вариант9 | Вариант10 |
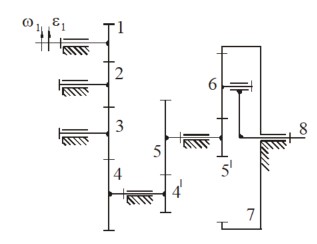
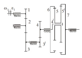
| Задание №4. Схема шарнирного четырехзвенника | Задание 4. Расчет зубчатой передачи | ||||||||
![]() |
![]() |
||||||||
| Вариант1 | Вариант2 | Вариант3 | Вариант4 | Вариант5 | Вариант6 | Вариант7 | Вариант8 | Вариант9 | Вариант10 |
Пример выполненной работы ↓↓↓ (записка)
Автор страницы: admin
определяем на чертеже возможные направления переносной скорости точки В отностительно точки А, а также абсолютной скорости точки В.
Кинетическая энегрия механизма состоит из вращательной энергии 1 и 3 звеньев и из энергии вращательного и поступательного движения 2 механизма.
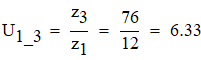
Для нахождения передаточного отношения между входным и выходным звеньями, условно разобьем механизм на несколько частей.
Расчет угловой скорости и углового ускорения выходного звена.
Угловая скорость и угловое ускорение выходного звена имеют то же направление, что и входного.
Расчет времени, в течение которого угловая скорость удвоится
Для определения времени используем уравнение равнопеременного вращения:
Силовой расчет зубчатой передачи.
По условию, центр масс входного звена смещен от оси вращения на 0,5m1. Как следствие помимо момента сил инерции возникает и сила инерции.
Для определения силы инерции, необходимо определить массу зубчатого колеса и момент инерции, приняв его за цилиндр с диаметром, равным
Видно, что касательной составляющей силы инерции можно пренебречь в связи с ее относительной малостью.
Далее найдем момент пары сил инерции:











