Внимание! Размещенный на сайте материал имеет информационно - познавательный характер, может быть полезен студентам и учащимся при самостоятельном выполнении работ и не является конечным информационным продуктом, предоставляемым на проверку.
Артикул: теор16-54
Автор решения: admin
Задача 1. Статика. Балка длиной 2 м нагружена моментом М = _____ кН∙м, угол a = _____. Определить реакции связей для указанной балки. Задача 2…
Задача 1. Статика.
Балка длиной 2 м нагружена моментом М = _____ кН∙м, угол a = _____. Определить реакции связей для указанной балки.
Задача 2. Кинематика.
Известны размеры звеньев механизма: угол поворота кривошипа к горизонту a = ____, loa=0.2 м, lab=0.5 м, e = 0,1 м. Угловая скорость кривошипа _____рад/с =const. Определить скорости точек А и В, угловую скорость шатуна АВ.
Задача 3. Динамика.
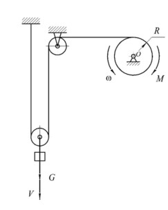
Груз весом G опускается краном с полиспастом. В некоторый момент машинист отключает двигатель, срабатывает тормоз ТКТ-300 и на валу барабана 1 возникает тормозной момент M=1.5*G*R , где R – радиус барабана, R =0,2 м. Определить путь, пройденный грузом до остановки, если момент инерции барабана равен I = 15 кг∙м2. Массой блоков и каната пренебречь.
Задача 4. Динамика.
Шкивы 1 и 2 охватываются невесомой и нерастяжимой нитью. Зубчатое колесо 3 сидит жестко на одном валу со шкивом 2 (они вращаются как одно целое). Колесо 3 зацепляется с колесом 4, которое заставляет двигаться зубчатую рейку 5 поступательно. Радиус шкива 1 равен R1 = 0,1 м.
Определить скорость и ускорение рейки 5. Исходные данные принимаем из таблицы. Также найти мощность и крутящий момент на валу электродвигателя, который приводит в движение шкив 1 (на схеме не указан), если нам требуется преодолеть силу тяжести и силу инерции рейки 5 массой m5=100 кг. Массами остальных звеньев пренебречь.
Выполнен вариант - 54
Формат документа - pdf
Количество страниц - 7
< в начало
Фрагмент решения ↓↓↓
Цена: 600.00р.








