Внимание! Размещенный на сайте материал имеет информационно - познавательный характер, может быть полезен студентам и учащимся при самостоятельном выполнении работ и не является конечным информационным продуктом, предоставляемым на проверку.
Артикул: проект5-3
Автор решения: Юрич
Вариант 3 КП.1.ХХХХХХ.003 КРАН УГЛОВОЙ Задание Составить спецификацию и выполнить сборочный чертеж изделия Кран угловой по прилагаемым…
Вариант 3
КП.1.ХХХХХХ.003
КРАН УГЛОВОЙ
Задание
Составить спецификацию и выполнить сборочный чертеж изделия
Кран угловой по прилагаемым описанию изделия, схеме и чертежам деталей.
Рекомендуемый масштаб сборочного чертежа – 1:1.
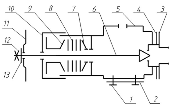
Состав изделия
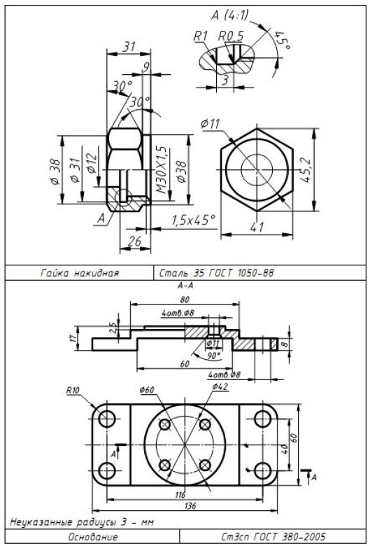
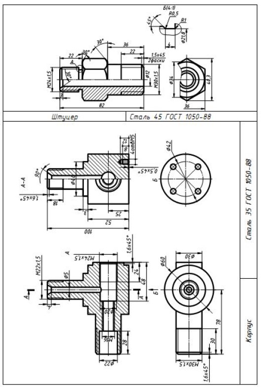
Нестандартные детали: 2 – основание; 3 – штуцер; 5 – корпус; 6 – шпиндель; 7 – грундбукса; 9 – втулка сальника; 10 – гайка накидная; 11 – ручка.
Стандартные изделия: 1 – винт ГОСТ 17475-80; 4 – прокладка П МН 3138-62; 8 – кольцо СГ (8 шт.); 12 – гайка ГОСТ 5915-70; 13 – шайба ГОСТ 11371-78.
Примечание. Чертежи стандартных изделий не даны. Учитывая назначение этих деталей в изделии, нужно определить их количество, а по номеру ГОСТа найти в справочной литературе их размеры и материал.
Назначение и принцип работы изделия
Угловой кран предназначен для перекрытия пара, поступающего из парового котла через штуцер 3 к машине или прибору.
При ввертывании шпинделя 6 в корпус 5 шпиндель коническим концом садится на конус штуцера 3 и закрывает проход для пара, при вывертывании шпинделя проход открывается.
Для устранения утечек пара используется сальниковое уплотнение (поз. 7, 8, 9, 10) и прокладка 4.
Порядок сборки изделия
1. Шпиндель 6 ввернуть в корпус 5 до упора (см. примечание). 2. Прокладку 4 надеть на штуцер 3; штуцер 3 ввернуть в корпус 5 до упора (см. примечание). 3. Грундбуксу 7, кольцо 8, втулку сальника 9 надеть на шпиндель 6, закладывая их в отверстие корпуса 5; гайку накидную 10 навернуть на корпус 5 до упора. 4. Ручку 11 надеть на квадратный конец шпинделя 6; гайку 12 навернуть на резьбовой конец шпинделя 6 до упора, подложив под нее шайбу 13. 5. Корпус 5 крепить к основанию 2 посредством винтов 1. Примечание. На чертеже кран показывается в закрытом положении (конус шпинделя находится в соединении с конусом штуцера).
Формат выполненной работы - pdf
Количество страниц - 34
<в каталог





Цена: 2800.00р.



